Peşəkar dizayn və texniki istehsal yolu ilə RCS seriyamız, piston çubuğun möhür çevirmə möhürlərinin müxtəlif ehtiyaclarını ödəyir, ümumi ssenarilərdən həddindən artıq iş şəraitinə qədər dəqiq həllər verir.
Struktur dizayn baxımından əsas modellər sabitlik və istifadənin rahatlığı ilə mərkəzləşdirilmişdir: RCS101 / 103, xüsusən qısa vuruşlar üçün əvvəlcədən bərkidilmiş o-üzüklər və ya köməkçi dodaqlar vasitəsilə sabitliyin yerləşdirilməsini artırır; RCS102 / 104R / 117R, material və yiv uyğunluğunu optimallaşdırmaqla daha yüksək təzyiqləri dəstəkləyir (məsələn, standart yiv yüksək təzyiq ssenariləri üçün RCS102R kimi). Pnevmatik sistemlər üçün, RCS105 / 205, yağlayıcı neft filmini qorumaq və yağlama / yağlama mühitinə uyğunlaşmaq üçün xüsusi bir dodaq dizaynı qəbul edir.
Ruichen möhürləri də maddi və funksional yeniliyə diqqət yetirir. RCS118 / 119 / 124-129 kimi modellər, politetrafluoroetilen (PTFE) və ya poliuretan istifadə edin, mandor bulaqlar və ya o-üzüklər ilə balanslaşdırmaq, təmizlik və korroziyaya davam etmək, kimyəvi və qida doldurma cihazlarının təmizliyi və yüksək temperatur müqavimətinə cavab vermək. RCS129, gəzinti maşınları və ağır hidravlik avadanlıqları üçün uyğun olan RCS101 ilə möhürləmə sistemi yarada bilər; RCS126-128 asimmetrik V-parça dizaynı vasitəsi ilə aşağı təzyiqli möhürlənməni optimallaşdırır və dərman və kimya sənayesi üçün hazırlanmışdır.
Kompleks iş şəraiti üçün, RCS120 / 138 və digər iki aktyorlu möhürlər, yüksək təzyiq və təhrifə davamlı olan və kompakt yivlərə uyğunlaşan bir dəstək üzük dizaynına malikdir; RCS131, həm ekstruziyaya, həm də kimyəvi müqavimətə davamlı olan və ya qida və əczaçılıq sənayesi üçün üstünlük verilən seçim halına gələn bir üzük əvəzedicidir. Və RCS116 / 216, köhnə silindrləri tez bir zamanda azaltmaq üçün armatur quraşdırılması yolu ilə tez bir zamanda təmir edə bilər.
RCS seriyası müştərilərə yüksək təzyiq, yüksək sürətli, aşındırıcı media və xüsusi sənaye problemlərinin öhdəsindən gəlməyə və avadanlıqların etibarlılığını və həyatını yaxşılaşdırmağa kömək edir.
Məhsul xüsusiyyətləri və tətbiqləri:
Piston Rod Seal Dönən möhürlər hidravlik silindrlər və silindrlər, mühəndis maşınları, kənd təsərrüfatı maşınları, kranlar və dəniz hidrolik avadanlıqları, dəzgahlar üçün uyğundur.
Ağır Sənaye maşınlarında, preslər, kimya sənayesi, sürətli yağ silindrləri və yerləşdirmə maşınları qida sənayesi, əczaçılıq sənayesi.
Üstünlük
Piston çubuğun möhürü sızdıran möhürlər, geniş temperatur aralığı, əla statik və dinamik möhürləmə performansı və dinamik şəraitdə güclü qalıq yağ bərpa qabiliyyəti ilə yivli yivdə quraşdırılmışdır. Aşağı sürtünmə, sürünən, yüksək aşınma müqaviməti, aşağı statik və sürtünmə dəyərləri, yalnız yaxşı ekstruziya əleyhinə performans, yaxşı istilik keçiriciliyi və geniş temperatur aralığı.
Köhnə piston çubuqlar üçün uyğundur, sürünən sürünmək üçün açıq tipi asandır.

RCS101
Sifariş ölçüsü
Φd ...... Xarici Diametri
Φd ...... daxili diametrli
L ...... Grove eni
| Səthi bitirmə | R tmax (μm) | R (mkm) |
| Sürüşmə səthi uyğun rezin / poliuretan möhürləri Sürüşmə səthi uyğun ptfe möhürləri | ≤2.5 ≤2 | ≤0.1-0.5 ≤0.05-0.3 |
| Yivli Yivli tərəfi | ≤6.3 ≤15 | ≤1.6 ≤3 |
| TP profil dəstək uzunluğu nisbəti | 50% -95% |
|
| Dözüm | |
| Φd | f8 |
| Φd | H10 |
Sifariş üçün
Model: RCS101
Groove Ölçüsü: 100x115x10
Material: rc-pu-h

Möhür növü: RCS101, RCS102, RCS103, RCS104, RCS205, RCS106, RCS107, RCS108, RCS117, RCS117, RCS121
Əsas tətbiq: hidravlik və pnevmatik silindrlər üçün uyğundur
Üstünlüklər: Yiv, geniş temperatur aralığında sabit bir yer, əla statik və dinamik möhürləmə performansı, dinamik şəraitdə güclü qalıq yağ çıxarma qabiliyyəti.
Material: poliuretan, rezin
| Seal Groove Nümunələri | Aşağıdakılar standart yiv ölçüləridir (ölçü aralığında istənilən ölçülü toz möhürləri istehsal edilə bilər) | ||||||||
![]() |
![]() |
Φd | Φd | L | c / s | Maksimum ekstruziya boşluğu | |||
| 100Bar | 250bar | 400bar | |||||||
| 5-24.9 | Φd + 8 | 6.3 | 4 | 0.50 | 0.35 | 0.25 | |||
| 25-49.9 | Φd + 10 | 8 | 5 | 0.50 | 0.35 | 0.25 | |||
| 50-149.9 | Φd + 15 | 10 | 7.5 | 0.50 | 0.35 | 0.25 | |||
| 150-229.9 | Φd + 20 | 14 | 10 | 0.50 | 0.35 | 0.25 | |||
| 300-499.9 | Φd + 25 | 17 | 12.5 | 0.50 | 0.35 | 0.25 | |||
| 500-699.9 | Φd + 30 | 25 | 15 | 0.50 | 0.35 | 0.25 | |||
| > 700 | Φd + 40 | 32 | 20 | 0.60 | 0.40 | 0.30 | |||
| > 1000 | Φd + 50 | 40 | 25 | 0.70 | 0.50 | 0.40 | |||

RCS109
Sifariş ölçüsü
Φd ...... Xarici Diametri
Φd ...... daxili diametrli
L ...... Grove eni
|
Səthi bitirmə |
R tmax (μm) |
R (mkm) |
|
Sürüşmə səthi uyğun rezin / poliuretan möhürləri Sürüşmə səthi uyğun ptfe möhürləri |
≤2.5
≤2 |
≤0.1-0.5
≤0.05-0.3 |
|
Yivli Yivli tərəfi |
≤6.3 ≤15 |
≤1.6 ≤3 |
|
TP profil dəstək uzunluğu nisbəti |
50% -95% |
|
|
Dözüm |
|
|
Φd |
f8 |
|
Φd |
H10 |
Sifariş üçün
Model: RCS109
Groove Ölçüsü: 100x115.1x6.3
Material: ptfe3 + nbr

Möhür növü: RCS109
Əsas proqram: Mühəndislik vasitələri, kənd təsərrüfatı texnikası, kranlar, dəniz hidrolik avadanlıq, dəzgahlar.
Üstünlüklər: Aşağı sürtünmə, sürünən, yüksək aşınma müqaviməti, yalnız yaxşı ekstruziya əleyhinə performans, yaxşı istilik keçiriciliyi, sabit bir yerləşdirmə yivi, geniş temperatur aralığında.
Material: tetrafluoroetilen, nitril kauçuk və ya flüor rezin
|
Seal Groove Nümunələri |
Aşağıdakılar standart yiv ölçüləridir (ölçü aralığında istənilən ölçülü toz möhürləri istehsal edilə bilər) |
||||||||
|
|
|
Φd |
Φd |
L |
c / s |
Maksimum ekstruziya boşluğu |
|||
|
100Bar |
200bər |
400bar |
|||||||
|
5-7.9 |
Φd + 4.9 |
2.2 |
2.45 |
0.30 |
0.20 |
0.15 |
|||
|
8-18.9 |
Φd + 7.3 |
3.2 |
3.64 |
0.40 |
0.25 |
0.15 |
|||
|
19-37.9 |
Φd + 10.7 |
4.2 |
5.35 |
0.40 |
0.25 |
0.20 |
|||
|
38-199.9 |
Φd + 15.1 |
6.3 |
7.55 |
0.50 |
0.30 |
0.20 |
|||
|
200-255.9 |
Φd + 20.5 |
8.1 |
10.25 |
0.60 |
0.35 |
0.25 |
|||
|
256-649.9 |
Φd + 24 |
8.1 |
12 |
0.60 |
0.35 |
0.25 |
|||
|
650-1000 |
Φd + 27.3 |
9.5 |
13.65 |
0.70 |
0.50 |
0.30 |
|||
|
> 1000 |
Φd + 38 |
13.8 |
19 |
1.00 |
0.70 |
0.50 |
|||

RCS110-112
Sifariş ölçüsü
Φd ...... Xarici Diametri
Φd ...... daxili diametrli
L ...... Grove eni
|
Səthi bitirmə |
R tmax (μm) |
R (mkm) |
|
Sürüşmə səthi uyğun rezin / poliuretan möhürləri Sürüşmə səthi uyğun ptfe möhürləri |
≤2.5
≤2 |
≤0.1-0.5
≤0.05-0.3 |
|
Yivli Yivli tərəfi |
≤6.3 ≤15 |
≤1.6 ≤3 |
|
TP profil dəstək uzunluğu nisbəti |
50% -95% |
|
|
Dözüm |
|
|
Φd |
f8 |
|
Φd |
H10 |
Sifariş üçün
Model: RCS110-112
Groove Ölçüsü: 100x120x32
Material: RC-Pu-H + POM

Möhür növü: RCS110-112, RCS126-128
Əsas tətbiq: Ağır sənaye maşınları üçün preslər
Üstünlüklər: Köhnə piston çubuqlar üçün uyğundur, Açıq tipli sürünmək üçün asandır
Material: poliuretan, polioksimetilen, neylon
|
Seal Groove Nümunələri |
Aşağıdakılar standart yiv ölçüləridir (ölçü aralığında istənilən ölçülü toz möhürləri istehsal edilə bilər) |
|||||
|
|
|
Φd |
Φd |
L |
c / s |
|
|
10-39.9 |
Φd + 10 |
16 |
5 |
|||
|
40-74.9 |
Φd + 15 |
25 |
7.5 |
|||
|
75-149.9 |
Φd + 20 |
32 |
10 |
|||
|
150-199.9 |
Φd + 25 |
40 |
12.5 |
|||
|
200-299.9 |
Φd + 30 |
50 |
15 |
|||
|
300-599.9 |
Φd + 40 |
63 |
20 |
|||
|
> 600 |
Φd + 40 |
80 |
20 |
|||
|
> 1000 |
Φd + 50 |
100 |
25 |
|||

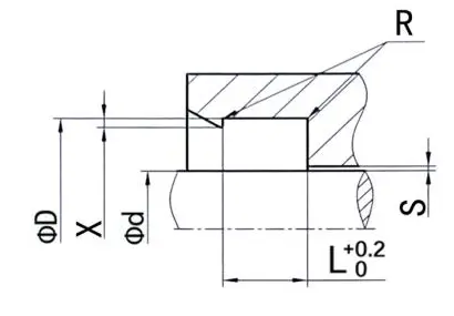
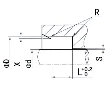
RCS119
Sifariş ölçüsü
Φd ...... Xarici Diametri
Φd ...... daxili diametrli
L ...... Grove eni
|
Səthi bitirmə |
R tmax (μm) |
R (mkm) |
|
Sürüşmə səthi uyğun rezin / poliuretan möhürləri Sürüşmə səthi uyğun ptfe möhürləri |
≤2.5
≤2 |
≤0.1-0.5
≤0.05-0.3 |
|
Yivli Yivli tərəfi |
≤6.3 ≤15 |
≤1.6 ≤3 |
|
TP profil dəstək uzunluğu nisbəti |
50% -95% |
|
|
Dözüm |
|
|
Φd |
f8 |
|
Φd |
H10 |
Sifariş üçün
Model: RCS119
Groove Ölçüsü: 100x109.4x7.1
Material: ptfe2 + nbr

Möhür növü: RCS119
Əsas tətbiq: Kimya sənayesi, sürətli silindrlər və yerləşdirmə maşınları. Qida sənayesi, əczaçılıq sənayesi.
Üstünlüklər: Yüksək temperatur və müxtəlif kimyəvi mediaya, aşağı sürtünmə əmsalı, sürünən, yaxşı quru sürtünmə xüsusiyyətləri, aşağı statik və sürtünmə dəyərləri.
Material: ptfe + yarpaq baharı
|
Seal Groove Nümunələri |
Aşağıdakılar standart yiv ölçüləridir (ölçü aralığında istənilən ölçülü toz möhürləri istehsal edilə bilər) |
|||||||||
|
|
|
Φd |
Φd |
L |
R |
X |
Maksimum ekstruziya boşluğu |
|||
|
100Bar |
200bər |
400bar |
||||||||
|
10-19.9 |
D + 4.5 |
3.6 |
0.4 |
0.6 |
0.15 |
0.10 |
0.07 |
|||
|
20-39.9 |
D + 6.2 |
4.8 |
0.6 |
0.7 |
0.20 |
0.15 |
0.08 |
|||
|
40-119.9 |
D + 9.4 |
7.1 |
0.8 |
0.8 |
0.25 |
0.20 |
0.10 |
|||
|
120-1000 |
D + 12.2 |
9.5 |
0.8 |
0.9 |
0.30 |
0.25 |
0.12 |
|||
|
> 1000 |
D + 19.0 |
15 |
0.8 |
0.9 |
0.50 |
0.40 |
0.20 |
|||



















































































Ünvan
No.1 Ruichen Round, Dongliuting Industrial Park, Chengyang District, Qingdao City, Shandong Province, Çin
Tel
E-poçt