Dönən möhürlərin dönüşü tələb edən hər bir ssenari üçün "Müdafiə-Təzyiq-Təzyiq-Təzyiq-Təzyiq-Təzyiq-Təzyiq-Təzyiq-Təzyiq-Təzyiq-Təzyiq-Təzyiq-Təzyiq-Təzyiq-Təzyiq-Təzyiq-Dayanmamış" Üçlük Həllini təmin etməyə çalışırıq. 200+ material düsturları və struktur patentləri ilə müştərilərə uğursuzluq dərəcələrini azaltmağa və TCO optimallaşdırmasına nail olmağa kömək edirik. Məhsul modellərinin bütün seriyası çox müxtəlifdir. Həqiqi ehtiyaclara görə seçə bilərsiniz və ya bizdən fırlanan möhürləri çevirir.
RCR101 Rotary Skeleton tək dodaq möhürü, tək aktyorluq, eksenel açıq yiv qurğusu, əsasən istifadə olunan rulmanlar üçün qoruyucu element kimi istifadə olunur.
RCR102 Rotary Skeleton ikiqat dodaq möhürü, tək aktyorluq, toz keçirməyən köməkçi dodaq, axial açıq yiv qurğusu, əsasən istifadə olunan rulmanlar üçün qoruyucu element kimi istifadə olunur.
RCR103 Rotary möhürü, Double aktyoru, dəstək rinqi ilə, yüksək təzyiq fırlanan sızdırmazlıq şəraitində daha yaxşı möhürləmə effekti.
RCR104, RCR105 Dönər möhür, ikiqat aktyorluq, dar yiv, sabit yivli yerləşdirmə və dişli sızdırma səthi.
RCR106, RCR107 V şəkilli fırlanan möhür, eksenel hərəkəti, geniş elastik modul, sürtünmə müqaviməti, toz, çirkləndiricilər, su sıçratmaq, yağ sıçratmaq və s.
RCR108 Dönər möhürü, tək hərəkət edən, yaz yoxdur, daxili və xarici dodaqların müdaxiləsi fərqli iş şəraitinə görə müəyyən edilir.
RCR109 O-Ring, əsasən statik möhürləmə və ya dinamik möhürləmə, çevik temperatur orta seçim üçün istifadə olunur. Ətraflı yivlər üçün o-ring nümunəsinə baxın.
RCR110 Döngə, Dar yivlər üçün uyğun olan şaft, ikiqat hərəkət edən tetrafluoroetilen möhür.
RCR111 Darvaza, ikiqat aktyor, dar yivlər üçün uyğun olan rcr111 fırlanan tetrafluoroetilen.
RCR112 Dönər möhür, ikiqat aktyorluq, dar yiv, yağlanmış iş şəraiti üçün uyğundur.
RCR113 Rotary Seal, Dəstək Ring, Sabit yivli yerləşdirilməsi, daha böyük ekstruziya boşluğuna və təzyiqə imkan verən, qazıntı cihazının fırlanan şaftında istifadə edilməsinə imkan verir.
RCR115 ROTRARY TETRAFLUOROOTILEOTILEOTILEY SEAL, ikiqat aktyorluq, aşağı sürtünmə, yan tərəfdən yüksək təzyiq, yüksək temperatur anti-temperatur korroziyası.
RCR116 ROTRUTY TETRAFLOOROOTILEOETHILYOME, ikiqat aktyorluq, aşağı sürtünmə, yan tərəfdə yüksək təzyiq, yüksək temperatur anti-temperatur korroziyası.
RCR117, RCR121 Rotary PTFE möhürü, mander baharı, tək aktyorluq, yüksək temperaturlu korroziya müqaviməti, nisbətən yüksək sürət və yüksək təzyiq üçün uyğundur.
RCR118, PTFE fırlanan möhürü, mander yaz, tək hərəkət edən, yüksək temperatur korroziyası müqaviməti, əsasən kimya sənayesində istifadə olunur.
RCR119 Rotary Skeleton tək dodaq möhürü, tək aktyorluq, eksenel açıq açıq yiv qurğusu, əsasən rulmanlar üçün qoruyucu element kimi istifadə olunur.
RCR201, RCR202 Dönüşlü skeleton, tək aktyorluq, tək hərəkət edən, toz keçirməyən dodaq, eksenel açıq yiv qurğusu, əsasən istifadə olunan rulmanlar üçün qoruyucu element kimi istifadə olunur.
RCR203, RCR204 ROCKR204 Dönər skeletsiz tək dodaq möhürü, tək aktyorluq, eksenel açıq açıq yiv qurğusu sabit quraşdırma, əsasən metallurgiya və gəmi düzəldilməsi kimi ağır sahələrdə istifadə olunur.
RCR205 Kəsilmiş fırlanan skeletsiz tək dodaq möhürü, tək aktyorluq, eksenel açıq yiv qurğusu sabit quraşdırma, əsasən metallurgiya və gəmiqayırma kimi ağır sahələrdə istifadə olunur.
RCR206, RCR206, RCR207 CUT-OFT-OFFING Dönüşlü tək dodaq möhürü, tək aktyorluq, eksenel açıq yiv qurğusu sabit quraşdırma, məsələn, metallurgiya və gəmi kimi ağır sahələrdə istifadə olunur. Aşağı sürətli sızdırmazlıq üçün uyğundur, möhürləmə mühiti litium əsaslı yağdır.
Məhsul xüsusiyyətləri və tətbiqləri:
Əsas tətbiqlər
Dönən möhürlərin dönüşü fırlanan şaft sonu möhürlənməsi, fırlanan mil sızdırılması, expavatorlar, tutqunlar, fırlanan birləşmələr, fırlanan distribyutorlar və bu tip möhür çox vaxt neft və kimya sənayesində istifadə olunur
Üstünlük
Dönən möhürlərin dönüşü, geniş uyğunlaşdırıla bilən media və temperatur aralığında, yaxşı möhürləmə effekti, yüksək təzyiq müqaviməti, kiçik çarpaz bölmə ölçüsü, hidravlik yağ müqaviməti, aşağı sürtünmə və çubuq sürüşmə fenomeni yoxdur.

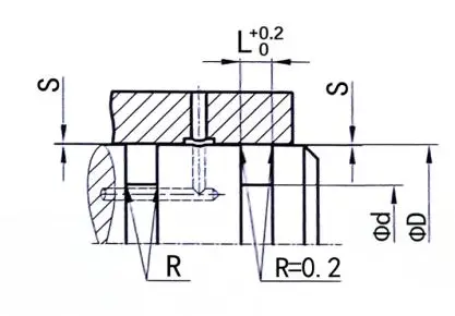
Rcr101
Sifariş ölçüsü
Φd ...... Xarici Diametri
Φd ...... daxili diametrli
L ...... Grove eni
|
Səthi bitirmə |
R tmax (μm) |
R (mkm) |
|
Sürüşmə səthi uyğun rezin / poliuretan möhürləri Sürüşmə səthi uyğun ptfe möhürləri |
≤2.5
≤2 |
≤0.1-0.5
≤0.05-0.3 |
|
Yivli Yivli tərəfi |
≤6.3 ≤15 |
≤1.6 ≤3 |
|
TP profil dəstək uzunluğu nisbəti |
50% -95% |
|
|
Dözüm |
|
|
Φd |
f8 |
|
Φd |
H8 |
Sifariş üçün
Model: RCR101
Groove Ölçüsü: 100x115x8
Material: NBR / POM

Möhür növü: RCR101, RCR102
Əsas tətbiq: fırlanan mil son möhürlənməsi üçün uyğundur
Üstünlüklər: geniş media, geniş bir temperatur aralığı və yaxşı möhürləmə effekti üçün uyğundur
Material: poliuretan, rezin / polioksimetilen
|
Seal Groove Nümunələri |
Aşağıdakılar standart yiv ölçüləridir (ölçü aralığında istənilən ölçülü fırlanan möhürlər istehsal edilə bilər) |
|||||
|
|
|
Φd |
Φd |
L |
c / s |
|
|
6-59.9 |
Φd + 12 |
7 |
6 |
|||
|
60-139.9 |
Φd + 15 |
8 |
7.5 |
|||
|
140-299.9 |
Φd + 20 |
10 |
10 |
|||
|
300-499.9 |
Φd + 30 |
12 |
15 |
|||
|
500-800 |
Φd + 40 |
20 |
20 |
|||
|
> 800 |
Φd + 50 |
22 |
25 |
|||

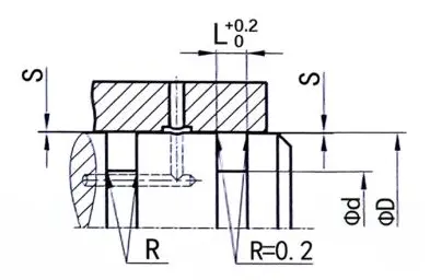
RCR115
Sifariş ölçüsü
Φd ...... Xarici Diametri
Φd ...... daxili diametrli
L ...... Grove eni
|
Səthi bitirmə |
R tmax (μm) |
R (mkm) |
|
Sürüşmə səthi uyğun rezin / poliuretan möhürləri Sürüşmə səthi uyğun ptfe möhürləri |
≤2.5
≤2 |
≤0.1-0.5
≤0.05-0.3 |
|
Yivli Yivli tərəfi |
≤6.3 ≤15 |
≤1.6 ≤3 |
|
TP profil dəstək uzunluğu nisbəti |
50% -95% |
|
|
Dözüm |
|
|
Φd |
f8 |
|
Φd |
H8 |
Sifariş üçün
Model: RCR115
Groove Ölçüsü: 100x111x4.2
Material: ptfe4 + nbr

Möhür növü: RCR115
Əsas tətbiq: Dönər mil möhürləri, ekskavatorlar, tutqunlar, sürüşmə oynaqları üçün uyğundur.
Üstünlüklər: Yüksək təzyiqə qarşı çıxa bilər, kiçik çarpaz hissə ölçüsü, hidravlik yağına davamlıdır, aşağı sürtünmə və çubuq sürüşmə fenomeni yoxdur.
Material: tetrafluoroetilen + nitril kauçuk və ya flüororubber
|
Seal Groove Nümunələri |
Aşağıdakılar standart yiv ölçüləridir (ölçü aralığında istənilən ölçülü fırlanan möhürlər istehsal edilə bilər) |
||||||||
|
|
|
Φd |
Φd |
L |
R |
X |
Maksimum ekstruziya boşluğu |
||
|
100Bar |
200bər |
||||||||
|
6-18.9 |
Φd + 4.9 |
2.2 |
0.4 |
1.78 |
0.15 |
0.10 |
|||
|
19-37.9 |
Φd + 7.5 |
3.2 |
0.6 |
2.62 |
0.20 |
0.15 |
|||
|
38-199.9 |
Φd + 11 |
4.2 |
1.0 |
3.53 |
0.25 |
0.20 |
|||
|
200-255.9 |
Φd + 15.5 |
6.3 |
1.3 |
5.33 |
0.30 |
0.25 |
|||
|
256-649.9 |
Φd + 21 |
8.1 |
1.8 |
7.00 |
0.30 |
0.25 |
|||
|
> 650 |
Φd + 28 |
9.5 |
2.5 |
8.40 |
0.45 |
0.30 |
|||

RCR116
Sifariş ölçüsü
Φd ...... Xarici Diametri
Φd ...... daxili diametrli
L ...... Grove eni
|
Səthi bitirmə |
R tmax (μm) |
R (mkm) |
|
Sürüşmə səthi uyğun rezin / poliuretan möhürləri Sürüşmə səthi uyğun ptfe möhürləri |
≤2.5
≤2 |
≤0.1-0.5
≤0.05-0.3 |
|
Yivli Yivli tərəfi |
≤6.3 ≤15 |
≤1.6 ≤3 |
|
TP profil dəstək uzunluğu nisbəti |
50% -95% |
|
|
Dözüm |
|
|
Φd |
f8 |
|
Φd |
H8 |
Sifariş üçün
Model: RCR116
Groove Ölçüsü: 100x89x4.2
Material: ptfe4 + nbr

Möhür növü: RCR116
Əsas tətbiq: Dönər şaft son möhür, ekskavator, tutqun, fırlanan birləşmələr, fırlanan distribyutorlar üçün uyğundur.
Üstünlüklər: geniş media və temperatur üçün uyğundur, yaxşı möhürləmə effekti, kiçik çarpaz bölmə ölçüsü, hidravlik yağlı, aşağı sürtünmə və çubuq sürüşmə fenomeninə güclü müqavimət göstərir.
Material: tetrafluoroetilen + nitril kauçuk və ya flüororubber
|
Seal Groove Nümunələri |
Aşağıdakılar standart yiv ölçüləridir (ölçü aralığında istənilən ölçülü fırlanan möhürlər istehsal edilə bilər) |
||||||||
|
|
|
Φd |
Φd |
L |
R |
O-halqa |
Maksimum ekstruziya boşluğu |
||
|
100Bar |
200bər |
||||||||
|
8-39.9 |
Φd-4.9 |
2.2 |
0.4 |
1.78 |
0.15 |
0.10 |
|||
|
40-79.9 |
Φd-7.5 |
3.2 |
0.6 |
2.62 |
0.20 |
0.15 |
|||
|
80-132.9 |
Φd-11.0 |
4.2 |
1.0 |
3.53 |
0.25 |
0.20 |
|||
|
133-329.9 |
Φd-15.5 |
6.3 |
1.3 |
5.33 |
0.30 |
0.25 |
|||
|
330-669.9 |
Φd-21.0 |
8.1 |
1.8 |
7.00 |
0.30 |
0.25 |
|||
|
> 670 |
Φd-28.0 |
9.5 |
2.5 |
8.40 |
0.45 |
0.30 |
|||

Rcr117
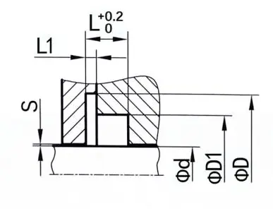
Sifariş ölçüsü
Φd ...... Xarici Diametri
Φd1 ...... Xarici Diametri
Φd ...... daxili diametrli
L ...... Grove eni
L1 ...... Grove eni
|
Səthi bitirmə |
R tmax (μm) |
R (mkm) |
|
Sürüşmə səthi uyğun rezin / poliuretan möhürləri Sürüşmə səthi uyğun ptfe möhürləri |
≤2.5
≤2 |
≤0.1-0.5
≤0.05-0.3 |
|
Yivli Yivli tərəfi |
≤6.3 ≤15 |
≤1.6 ≤3 |
|
TP profil dəstək uzunluğu nisbəti |
50% -95% |
|
|
Dözüm |
|
|
Φd |
f8 |
|
Φd |
H8 |
Sifariş üçün
Model: RCR117
Groove Ölçüsü: 100x117.5x110.5x7.1x1.8
Material: PTFE4 + V

Möhür növü: RCR117
Əsas tətbiq: fırlanan şaft ucu möhürlənməsi üçün uyğundur, bu tip möhür tez-tez neft və kimya sənayesində istifadə olunur
Üstünlüklər: Aşağı sürtünmə, korroziya müqaviməti, yüksək temperatur müqaviməti, yüksək sürətlə uyğundur
Material: ptfe, paslanmayan poladdan bahar
|
Seal Groove Nümunələri |
Aşağıdakılar standart yiv ölçüləridir (ölçü aralığında istənilən ölçülü fırlanan möhürlər istehsal edilə bilər) |
|||||||||
|
|
|
Φd |
Φd |
Fd1 |
L |
L1 |
Maksimum ekstruziya boşluğu |
|||
|
20Bar |
100Bar |
200bər |
||||||||
|
5-19.9 |
Φd + 9 |
Φd + 5 |
3.6 |
0.85 |
0.25 |
0.15 |
0.10 |
|||
|
20-39.9 |
Φd + 12.5 |
Φd + 7 |
4.8 |
1.35 |
0.35 |
0.20 |
0.15 |
|||
|
40-399.9 |
Φd + 17.5 |
Φd + 10.5 |
7.1 |
1.8 |
0.50 |
0.25 |
0.20 |
|||
|
≥400 |
Φd + 22 |
Φd + 14 |
9.5 |
2.8 |
0.60 |
0.30 |
0.25 |
|||



















































Ünvan
No.1 Ruichen Round, Dongliuting Industrial Park, Chengyang District, Qingdao City, Shandong Province, Çin
Tel
E-poçt