Piston möhürləri sahəsində çoxşaxəli ehtiyaclara diqqət yetiririk və hidravlik və pnevmatikanın bütün ssenarilərini əhatə edən yüksək performanslı həllər təqdim edirik. Məhsul xəttimiz, adi bir innovasiya və struktur optimallaşdırmanı, adi bir sənayenin möhürləmə problemlərini ifrat şərti şərtlərinə cavablandırmaq üçün maddi yenilik və struktur optimallaşdırmanı birləşdirən bir aktuallığa bölünmüş və ikiqat fəaliyyət göstərən bir işləməyə və ikiqat fəaliyyət göstərir.
1. Piston möhürü dönən möhürlər seriyasının məqamları:
Yüksək təzyiq və anti-ekstruziya: RCK102 / 102R / 104 seriyası yüksək təzyiq üçün hazırlanmışdır və böyük boşluqlara və dar yivlərə uyğunlaşmaq üçün dəstək quruluşu güclənir. RCK109H / 120/122 və digər birləşmə möhürləri, bələdçi üzükləri və elastomerləri, xüsusilə dağ-mədən və ağır maşınlar üçün uyğun 35MPA + yüksək təzyiq həddindən keçmək üçün elastikerləri birləşdirir.
Dinamik uyğunlaşma: RCK108 / 125/138, son dərəcə aşağı sürəti yüksək sürətlə (0.01 ~ 5m / s) sabit möhürlənməyə nail olmaq üçün Tetrafluoroetilen materialından istifadə edir və aşağı sürtünmə xüsusiyyətləri, həssaslıq və dəqiq enjeksiyon qəlibləmə avadanlığı üçün uyğundur.
Həddindən artıq mühit tolerantlığı: RCK119 / 139, korroziyaya davamlı və quru aşınmaya davamlı olan mander bahar və ptfe material ilə təchiz edilmişdir. -40 ℃ ~ 200 ℃ geniş temperatur aralığı kimyəvi, əczaçılıq yüksək temperaturlu reaktorları və qida istehsal xətlərini əhatə edir.
2. Sənaye xüsusi dizayn:
Baxım və modifikasiya: RCK116 / 216 quraşdırma prosesini asanlaşdırır və köhnə silindrli təmiri və qida doldurma cihazlarının sürətli dəyişdirilməsi ehtiyaclarına uyğunlaşdırır.
İkiqat Orta İzolyasiya: RCK144 / 145, eyni zamanda, mürəkkəb iş şəraiti üçün əlverişli olan yağ / su və ya qaz / maye qarışıq medianı möhürləyə bilən orijinal ikiqat dodaq quruluşuna malikdir.
Qısa vuruş optimallaşdırılması: RCK103 / 143, qısametrajlı hidravlik silindrlərdə sızma riskinin qarşısını almaq üçün O-Ring əvvəlcədən yüklənməsindən keçərək sabitliyin açılışını artırır.
3. Əsas texnologiya üstünlükləri:
Maddi elm: Poliuretan Dodaq (RCK205) neft saxlama dizaynı yağlama-pulsuz pnevmatikanın həyatını genişləndirir və Tetrafluoroetilen (RCK108) həm geyimi müqavimətini və kimyəvi müqavimətini nəzərə alır.
Struktur İnnovasiya: Geri-Arxa Bələdçi Üzükləri (RCK101), Rabitə Əleyhde Əleyhdarı (RCK120) və digər dizaynlar vibrasiya və eksantrik yüklər altında möhürlərin davamlılığını təmin edir.
Mədən maşınları, enjeksiyon kalığı avadanlıqları, tibbi cihazlar və tibbi cihazlar, tibbi cihazlar və xüsusi xidmətlər ilə tibbi cihazlar və xüsusi xidmətlər kimi tibbi cihazlar və performanslar kimi inteqrasiya edilmiş həlləri təmin etmək, standart modullar və xüsusi xidmətlər üçün performans, təmir xərclərini azaltmağa və avadanlıqların etibarlılığını artırmağa kömək edir.
Məhsul xüsusiyyətləri və tətbiqləri:
Piston möhür dönüşü möhürləri hidravlik silindrlər və silindrlər, standart hidravlik silindrlər və gəzinti hidravlik maşınlar üçün uyğundur. Əsas tətbiqlərə inşaat maşınları, kənd təsərrüfatı texnikası, kranlar və standart silindrlər daxildir.
Kimya sənayesində istifadə edildikdə, ümumiyyətlə sürətli silindrlər və yerləşdirmə maşınları üçün istifadə olunur. Ayrıca qida sənayesində, əczaçılıq sənayesi və akkumulyatorlarda da istifadə edilə bilər.
Üstünlük
Piston möhürü dönmə möhürləri, yaxşı dinamik və statik möhürləmə performansı, aşağı sürünmə fenomeni, yaxşı ekstruziya əleyhinə performans, yaxşı tətbiq olunan temperatur, geniş tətbiq olunan temperaturun və güclü qalıq yağ qaytarma qabiliyyətinə ehtiyac yoxdur.

Rck101
Sifariş ölçüsü
Φd ...... Xarici Diametri
Φd ...... daxili diametrli
L ...... Grove eni
|
Səthi bitirmə |
R tmax (μm) |
R (mkm) |
|
Sürüşmə səthi uyğun rezin / poliuretan möhürləri Sürüşmə səthi uyğun ptfe möhürləri |
≤2.5
≤2 |
≤0.1-0.5
≤0.05-0.3 |
|
Yivli Yivli tərəfi |
≤6.3 ≤15 |
≤1.6 ≤3 |
|
TP profil dəstək uzunluğu nisbəti |
50% -95% |
|
|
Dözüm |
|
|
Φd |
H10 |
|
Φd |
H9 |
Sifariş üçün
Model: RCK101
Groove Ölçüsü: 100x84x10
Material: rc-pu-h

SEAL Növü: RCK102, RCK103, RCK104, RCK105, RCK205, RCK106, RCK107, RCK108, RCK118, RCK118, RCK127
Əsas tətbiq: hidravlik və pnevmatik silindrlər üçün uyğundur
Üstünlüklər: Groove daxil olduqda sabitdir, əla dinamik və statik möhürləmə performansına malikdir, geniş bir temperatur aralığına tətbiq olunur və dinamik şəraitdə güclü qalıq yağ qaytarma qabiliyyətinə malikdir.
Material: poliuretan, rezin
|
Seal Groove Nümunələri |
Aşağıdakılar standart yiv ölçüləridir (ölçü aralığında istənilən ölçülü toz möhürləri istehsal edilə bilər) |
||||||||
|
|
|
Φd |
Φd |
L |
c / s |
Maksimum ekstruziya boşluğu |
|||
|
100Bar |
250bar |
400bar |
|||||||
|
5-24.9 |
Φd-8 |
6 |
4 |
0.5 |
0.35 |
0.25 |
|||
|
25-49.9 |
Φd-10 |
7 |
5 |
0.5 |
0.35 |
0.25 |
|||
|
50-74.9 |
Φd-12 |
8 |
6 |
0.5 |
0.35 |
0.25 |
|||
|
75-149.9 |
Φd-16 |
10 |
8 |
0.5 |
0.35 |
0.25 |
|||
|
150-299.9 |
Φd-20 |
12 |
10 |
0.5 |
0.35 |
0.25 |
|||
|
300-500 |
Φd-24 |
18 |
12 |
0.5 |
0.35 |
0.25 |
|||
|
500-750 |
Φd-30 |
20 |
15 |
0.6 |
0.40 |
0.30 |
|||
|
> 750 |
Φd-40 |
26 |
20 |
0.7 |
0.45 |
0.35 |
|||

Rck108
Sifariş ölçüsü
Φd ...... Xarici Diametri
Φd ...... daxili diametrli
L ...... Grove eni
|
Səthi bitirmə |
R tmax (μm) |
R (mkm) |
|
Sürüşmə səthi uyğun rezin / poliuretan möhürləri Sürüşmə səthi uyğun ptfe möhürləri |
≤2.5
≤2 |
≤0.1-0.5
≤0.05-0.3 |
|
Yivli Yivli tərəfi |
≤6.3 ≤15 |
≤1.6 ≤3 |
|
TP profil dəstək uzunluğu nisbəti |
50% -95% |
|
|
Dözüm |
|
|
Φd |
H10 |
|
Φd |
H9 |
Sifariş üçün
Model: RCK108
Groove Ölçüsü: 100x84.5x6.3
Material: ptfe3 + nbr

Möhür növü: RCK108, RCK125, RCK140, RCK238, RCK138
Əsas tətbiq: Standard Hydraulic Silinders və Mobil Hidravlik Maşın
Üstünlüklər: Aşağı sürtünmə, hidravlik sürünən, yüksək aşınma müqaviməti, yaxşı ekstruziya əleyhinə performans, yaxşı istilik keçiriciliyi, sabit bir temperatur yivi, geniş temperatur aralığı.
Material: Tetrafluoroetilen + Nitril kauçuku və ya flüor rezin, ultra yüksək sərtlik poliuretan + nitril kauçuku
|
Seal Groove Nümunələri |
Aşağıdakılar standart yiv ölçüləridir (ölçü aralığında istənilən ölçülü toz möhürləri istehsal edilə bilər) |
||||||||
|
|
|
Φd |
Φd |
L |
c / s |
Maksimum ekstruziya boşluğu |
|||
|
100Bar |
250bar |
400bar |
|||||||
|
8-14.9 |
Φd-4.9 |
2.2 |
2.45 |
0.30 |
0.20 |
0.15 |
|||
|
15-39.9 |
Φd-7.5 |
3.2 |
3.75 |
0.40 |
0.25 |
0.15 |
|||
|
40-79.9 |
Φd-11 |
4.2 |
5.5 |
0.40 |
0.25 |
0.20 |
|||
|
80-132.9 |
Φd-15.5 |
6.3 |
7.75 |
0.50 |
0.30 |
0.20 |
|||
|
133-329.9 |
Φd-21 |
8.1 |
10.5 |
0.60 |
0.35 |
0.25 |
|||
|
330-669.9 |
Φd-24.5 |
8.1 |
12.25 |
0.60 |
0.35 |
0.25 |
|||
|
670-1000 |
Φd-28 |
9.5 |
14 |
0.70 |
0.50 |
0.30 |
|||
|
> 1000 |
Φd-38 |
13.8 |
19 |
1.00 |
0.70 |
0.60 |
|||

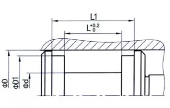
Rck109n
Sifariş ölçüsü
Φd ...... Xarici Diametri
Φd ...... daxili diametrli
Φd1 ...... daxili diametrli
L ...... Grove eni
L1 ...... Grove eni
|
Səthi bitirmə |
R tmax (μm) |
R (mkm) |
|
Sürüşmə səthi uyğun rezin / poliuretan möhürləri Sürüşmə səthi uyğun ptfe möhürləri |
≤2.5
≤2 |
≤0.1-0.5
≤0.05-0.3 |
|
Yivli Yivli tərəfi |
≤6.3 ≤15 |
≤1.6 ≤3 |
|
TP profil dəstək uzunluğu nisbəti |
50% -95% |
|
|
Dözüm |
|
|
Φd |
H10 |
|
Φd |
H9 |
Sifariş üçün
Model: RCK109N
Groove Ölçüsü: 100x80x95x25 / 36
Material: RC-PU-H + NBR + POM

Möhür növü: RCK109, RCK117
Əsas proqram: İnşaat maşınları, kənd təsərrüfatı texnikası, kranlar, standart silindrlər
Üstünlüklər: əla statik və dinamik möhürləmə, əlavə bələdçi üzüklərə, anti-ekstruziya, təhrif əleyhinə quruluşa, sürətli təzyiq dəyişikliyi ilə iş şəraiti üçün əlverişlidir.
Material: poliuretan, rezin, poliuretan, tetrafluoroetilen
|
Seal Groove Nümunələri |
Aşağıdakılar standart yiv ölçüləridir (ölçü aralığında istənilən ölçülü toz möhürləri istehsal edilə bilər) |
||||||
|
|
|
Φd |
Φd |
Fd1 |
L |
L1 |
|
|
20-44.9 |
Φd-10 |
Φd-3 |
12.5 |
20.5 |
|||
|
50-79.9 |
Φd-15 |
Φd-4 |
20 |
28 |
|||
|
80-144.9 |
Φd-20 |
Φd-5 |
25 |
36 |
|||
|
150-399.9 |
Φd-25 |
Φd-6 |
32 |
46 |
|||
|
400-750 |
Φd-30 |
Φd-8 |
36 |
50 |
|||
|
> 750 |
Φd-40 |
Φd-8 |
40 |
54 |
|||

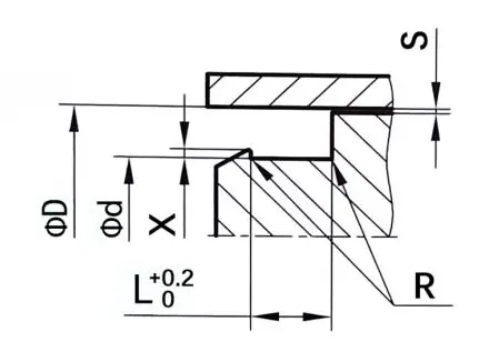
Rck119
Sifariş ölçüsü
Φd ...... Xarici Diametri
Φd ...... daxili diametrli
L ...... Grove eni
|
Səthi bitirmə |
R tmax (μm) |
R (mkm) |
|
Sürüşmə səthi uyğun rezin / poliuretan möhürləri Sürüşmə səthi uyğun ptfe möhürləri |
≤2.5
≤2 |
≤0.1-0.5
≤0.05-0.3 |
|
Yivli Yivli tərəfi |
≤6.3 ≤15 |
≤1.6 ≤3 |
|
TP profil dəstək uzunluğu nisbəti |
50% -95% |
|
|
Dözüm |
|
|
Φd |
H10 |
|
Φd |
H9 |
Sifariş üçün
Model: RCK119
Groove Ölçüsü: 100x90.6x7.1
Material: PTFE4 + V

Möhür növü: RCK119
Əsas proqram: Kimya sənayesi, sürətli silindrlər və yerləşdirmə maşınları, qida sənayesi, əczaçılıq sənayesi, akkumulyatorlar.
Üstünlüklər: Yüksək temperatur və müxtəlif kimyəvi mediaya davamlı, aşağı sürtünmə əmsalı, sürünən, yaxşı quru sürtünmə xüsusiyyətləri, aşağı statik və dinamik sürtünmə dəyərləri.
Material: ptfe + yarpaq baharı
|
Seal Groove Nümunələri |
Aşağıdakılar standart yiv ölçüləridir (ölçü aralığında istənilən ölçülü toz möhürləri istehsal edilə bilər) |
|||||||||
|
|
|
Φd |
Φd |
L |
R |
X |
Maksimum ekstruziya boşluğu |
|||
|
100Bar |
250bar |
400bar |
||||||||
|
14-24.9 |
D-4.5 |
3.6 |
0.4 |
0.6 |
0.15 |
0.10 |
0.07 |
|||
|
25-45.9 |
D-6.2 |
4.8 |
0.6 |
0.7 |
0.20 |
0.15 |
0.08 |
|||
|
46-124.9 |
D-9.4 |
7.1 |
0.8 |
0.8 |
0.25 |
0.25 |
0.10 |
|||
|
125-1000 |
D-12.2 |
9.5 |
0.8 |
0.9 |
0.30 |
0.30 |
0.12 |
|||
|
> 1000 |
D-19.0 |
15 |
0.8 |
0.9 |
0.50 |
0.50 |
0.20 |
|||























































































Ünvan
No.1 Ruichen Round, Dongliuting Industrial Park, Chengyang District, Qingdao City, Shandong Province, Çin
Tel
E-poçt