Ruichen, möhürləmə texnologiyası yeniliyinin başındadir. Müstəqil inkişaf etmiş yüksək təzyiqli toz möhürləri, hərəkət edən hissələrin toz sübut tələblərini dəqiq bir şəkildə lövbər edir və əla qorunma yaratmaq üçün PTFE toz üzükləri və o-üzüklərdən istifadə edir. İşlədikdə, O-ring, hər zaman PTFE halqasının aşınmasını, möhürün uzunmüddətli sabitliyini təmin etmək üçün kompensasiya etmək üçün sabit bir yükləmə üçün tətbiq olunur; Toz üzüyü toz işğalına ciddi şəkildə müqavimət göstərmək üçün aşınma əleyhinə doldurma materiallarından istifadə edir. Məsələn, tikinti maşınlarının hidravlik silindrlərinin birləşmələrində, tikinti sahəsindəki tozun üzləşməsi, yüksək təzyiqli toz möhürü, toz müdaxiləsini effektiv şəkildə bloklayır və silindrin hamar işləməsini təmin edir; Avtomatlaşdırılmış istehsal xəttinin robot qolunun qarşılıqlı yelləncək bağlantısı, toz möhürləri, toz hissələrini toz müdaxiləsindən qoruyur və yüksək dəqiqlikli əməliyyatlar aparır; Dağ-mədən avadanlıqlarının spiral ötürmə cihazı, filiz tozu, yüksək təzyiqli toz möhürləri ətrafında avadanlıqların sabit işləməsini təmin edir, potensial nöqsanları azaldır və avadanlıqların ömrünü uzadır. Ruichen möhürlənməsi uzun müddət dərin inkişafa yönəlmişdir. Peşəkar bir komandaya və qabaqcıl qurğulara güvənərək, müştərilərin ehtiyaclarına uyğun olaraq yüksək performanslı sızdırmazlıq materiallarını düzəldə və müstəqil idarəetmə istehsalına görə, həm də polioksimetilen kimi zəngin və müxtəlif materialları ehtiyat edə bilməz, eyni zamanda polioksimetilen kimi bir-birinə və müxtəlif materialları bir yerdə bir dayanacaqda aradan qaldırmağa və birlikdə işləməyə kömək edir.
Toz keçirməyən möhürləmə iş şəraiti
| Profil | Model | Temperatur (℃) | Sürət (m / s) | Media |
![]() |
Rcf01 | -35 ~ + 100 (uyğun o-ring nbr) | 6 | Hidravlik yağ, emulsiya, su və s. |
| -20 ~ + 200 (uyğun O-Ring FKM) | ||||
![]() |
Rcf02 | -35 ~ + 100 (uyğun o-ring nbr) | 6 | Hidravlik yağ, emulsiya, su və s. |
| -20 ~ + 200 (uyğun O-Ring FKM) | ||||
![]() |
Rcf03 | -35 ~ + 100 (uyğun o-ring nbr) | 6 | Hidravlik yağ, emulsiya, su və s. |
| -20 ~ + 200 (uyğun O-Ring FKM) | ||||
![]() |
Rcf04 | -35 ~ + 100 (uyğun o-ring nbr) | 6 | Hidravlik yağ, emulsiya, su və s. |
| -20 ~ + 200 (uyğun O-Ring FKM) | ||||
![]() |
Rcf05 | -35 ~ + 100 (uyğun o-ring nbr) | 6 | Hidravlik yağ, emulsiya, su və s. |
| -20 ~ + 200 (uyğun O-Ring FKM) |
Sifariş üçün nümunə:
Sifariş modeli RCF01-80-PTFE3-R01
RCF01-MODELIT 80-MHAFT DİAMETER PTFE3-Universal dəyişdirilmiş PTFE R01 uyğun rezin material kodu
Nitril rezin (NBR) -R01 Fluororubber (FKM) -R02
Sifariş modeli RCF02-80-PTFE3-R01
RCF02-MODELIT 80-MHAFT DIAMETER PTFE3 Ümumi Dəyişdirilmiş PTFER01 uyğun rezin material kodu
NBR (NBR) -R01 Fluororubber (FKM) -R02
Sifariş Model RCFO3-80-PTFE3 -r01
RCF03-MODELİK 80-CHAFT DIAMETER PTFE3 Ümumi Dəyişdirilmiş PTFE R01-Uyğun rezin material kodu
Nitril rezin (NBR) -R01 Fluororubber (FKM) -R02
Sifariş modeli RCF04-80-PTFE3-R01
RCF04-MODELIT 80-MODEL DIAMETER PTFE3 Ümumi dəyişdirilmiş PTFE R01-R01-Uyğun rezin material kodu
Nitril rezin (NBR) -R01 Fluororubber (FKM) -R02
Sifariş modeli RCF04-80-PTFE3-R01
RCF04-MODELIT 80-MODEL DIAMETER PTFE3 Ümumi dəyişdirilmiş PTFE R01-R01-Uyğun rezin material kodu
Nitril rezin (NBR) -R01 Fluororubber (FKM) -R02
Sifariş modeli RCF05-80-PTFE3-R01
RCF05-MODELIT 80-MODEL DIAMETER PTFE3 Ümumi Dəyişdirilmiş PTFE R01-Uyğun rezin material kodu
Nitril rezin (NBR) -R01 Fluororubber (FKM) -R02
Xüsusiyyətlər:
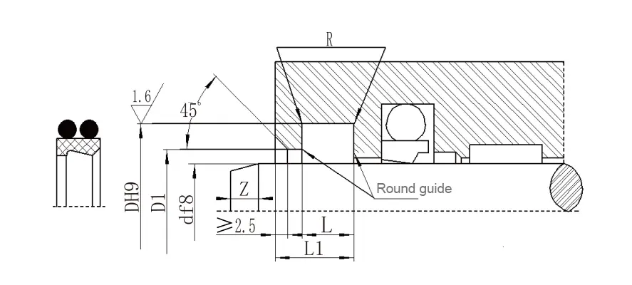
| RCF01 Xüsusiyyətləri (Parametr aralığı daxilində istənilən ölçülü məhsullar təmin edilə bilər) | ||||||
| Şaft diametri aralığı d f8 |
Yiv diametri D h9 |
Yivli genişliyi L+0.2 |
Çuxur diametrini açın D1 H11 |
Açıq deşik eni ≥ |
Dairəvi künclər R≤ |
O-Ring Wire Diametri d0 |
| 19 ~ 39 | D + 7.6 | 4.2 | D + 1.5 | 3 | 0.8 | 2.65 |
| 40 ~ 69 | D + 8.8 | 6.3 | D + 1.5 | 3 | 0.8 | 2.65 |
| 70 ~ 139 | D + 12.2 | 8.1 | D + 2.0 | 4 | 0.8 | 3.55 |
| 140 ~ 399 | D + 16.0 | 9.5 | D + 2.5 | 5 | 1.5 | 5.30 |
| 400 ~ 649 | D + 24.0 | 14 | D + 2.5 | 8 | 1.5 | 7.00 |
| 650 ~ 1500 | D + 27.3 | 16 | D + 2.5 | 10 | 2.0 | 8.60 |
| RCF02, RCF03 spesifikasiyası parametr cədvəli (parametr aralığı daxilində istənilən ölçülü məhsullar təmin edilə bilər) | ||||||
| Şaft diametri aralığı d f8 |
Yiv diametri D h9 |
Yivli genişliyi L+0.2 |
Çuxur diametrini açın D1 H11 |
Açıq deşik eni ≥ |
Dairəvi künclər R≤ |
O-Ring Wire Diametri d0 |
| 4 ~ 11 | D + 4.8 | 3.7 | D + 1.5 | 2 | 0.4 | 1.8 |
| 12 ~ 64 | D + 6.8 | 5 | D + 1.5 | 2 | 0.7 | 2.65 |
| 65 ~ 250 | D + 8.8 | 6 | D + 1.5 | 3 | 1.0 | 3.55 |
| 251 ~ 420 | D + 12.2 | 8.4 | D + 2.0 | 4 | 1.5 | 5.30 |
| 421 ~ 650 | D + 16.0 | 11 | D + 2.0 | 4 | 1.5 | 7.00 |
| 651 ~ 1500 | D + 20.0 | 14 | D + 2.5 | 5 | 2.0 | 8.60 |
| RCF04 Xüsusi parametr cədvəli (parametr aralığı daxilində istənilən ölçülü məhsullar təmin edilə bilər) | ||||||
| Şaft diametri aralığı d f8 |
Yiv diametri Dh9 |
Addım D1 H11 |
Yivli genişliyi L+0.2 |
Ümumilikdə genişlik L1 |
Yuvarlaq künclər Rmax | Qarmaqarışıq Zansız |
| 20 ~ 39.9 | D + 7.6 | d + 1 | 4.2 | 8.2 | 0.4 | 3 |
| 40 ~ 69.9 | D + 8.8 | D + 1.5 | 6.3 | 10.3 | 1.2 | 4 |
| 70 ~ 139.9 | D + 12.2 | D + 2.0 | 8.1 | 12.1 | 2 | 6 |
| 140 ~ 399.9 | D + 16.0 | D + 2.0 | 11.5 | 15.5 | 2 | 8 |
| 400 ~ 649.9 | D + 24.0 | D + 2.5 | 15.5 | 19.5 | 2 | 10 |
| 650 ~ 1000 | D + 27.3 | D + 2.5 | 18.0 | 23.0 | 2 | 12 |
| RCF05 Xüsusi parametr cədvəli (parametr aralığında istənilən ölçülü məhsullar təmin edilə bilər) | ||||||
| Şaft diametri aralığı d f8 | Yiv diametri Dh9 | Addım D1 H11 | Yivli genişliyi L+0.2 |
Yurd L1 |
Yuvarlaq künclər Rmax |
Qarmaqarışıq Zansız |
| 100 ~ 229 | D + 22.2 | D + 10.7 | 6.3 | 4.2 | 1.2 | 6 |
| 230 ~ 299 | D + 24.2 | D + 10.7 | 6.3 | 4.2 | 1.2 | 8 |
| 300 ~ 629 | D + 33.0 | D + 15.1 | 8.1 | 6.3 | 1.2 | 10 |
| 630 ~ 1000 | D + 36.5 | D + 15.1 | 9.5 | 6.3 | 2 | 12 |
Tətbiq:
Əsasən kənd təsərrüfatı texnikalarında, hidravlik preslər, injection qəliblər, hidravlik idarəetmə sistemləri, forkliftlər, roller preslər, kranlar, yükləmə və boşaltma maşınları və s.











Ünvan
No.1 Ruichen Round, Dongliuting Industrial Park, Chengyang District, Qingdao City, Shandong Province, Çin
Tel
E-poçt